Цель: Разработать программное обеспечение для программируемого логического контроллера VIPA System 100V реализующего систему управления шахтным водоотливом
Разработать программное обеспечение для программируемого логического контроллера VIPA System 100V реализующее систему управления шахтным водоотливом в соответствии с заданным вариантом (вариант выдает преподаватель).
Вариант 1:
Система управления должна выполнять действия: по нажатию кнопки “ПУСК” система приводиться в действие, по нажатию кнопки “СТОП” выключается. Если вода достигла аварийного уровня, система не может быть выключена. Основной насос должен включаться по срабатыванию датчика нижнего уровня и выключатся, когда вода опуститься ниже датчика нижнего уровня. Дополнительный насос должен включаться по достижению водой датчика аварийного уровня и выключаться по снижению воды ниже датчика верхнего уровня.
Земная кора вместе с полезными ископаемыми вмещает водоносные горные породы. В процессе ведения горных работ по вскрытию, подготовке и разработке месторождения в горные выработки поступает вода из этих пород. По трещинам, образующимся в массиве горных пород, в горные выработки проникают не только подземные воды, но и поверхностные. Вода также поступает из старых затопленных выработок и выработанного пространства. С притоком воды в шахту усложняется ведение горных работ. Кроме того, вода ухудшает санитарно-гигиенические условия работы шахтеров. Поэтому главной задачей шахтного водоотлива является выдача подземных вод на поверхность по мере их притока в шахту. Поступающая в шахту вода откачивается на поверхность шахтными водоотливными установками: главными и вспомогательными (рис. 1.).
1 – горные породы; 2 – нагнетательная труба; 3 – основной насос; 4 – всасывающая труба; 5 – подземная вода; 6 – нагнетательная труба заливочного насоса основного насоса; 7 – водосборник; 8 – заливочный насос основного насоса; 9 – поверхностная вода; 10 – контроль уровня воды; 11 – дополнительный насос; 12 – заливочный насос дополнительного насоса
Рисунок 1. – Структура шахтного водоотлива
Главная водоотливная установка предназначена для откачки всего притока воды из шахты на поверхность. Если глубина шахты больше величины напора, создаваемого одним насосом, то используют последовательные или многоступенчатые схемы водоотлива. Вспомогательные водоотливные установки откачивают воду с отдельных горизонтов в водосборники главного водоотлива. К водосборнику главного водоотлива вода поступает по водоотливным канавкам или по нагнетательным ставам вспомогательных водоотливов.
Стенд системы управления шахтным водоотливом, состоит из физической модели шахтного водоотлива и демонстрационной модели системы управления шахтным водоотливом.
Физическая модель шахтного водоотлива
Структура физической модели шахтного водоотлива представлена на рис. 2..
1 – колба притока; 2 – трубка; 3 – заслонка; 4 – колба имитирующая водосборник; 5 – датчик аварийного уровня; 6 – датчик верхнего уровня; 7 – датчик нижнего уровня; 8 — насос
Рисунок 2. – Структура физической модели шахтного водоотлива
В колбе притока (1) и колбе имитирующей водосборник (4) находится вода. Для регулирования притока воды между колбами используется заслонка (3). Изменением положения заслонки можно регулировать скорость притока. Для определения уровня воды используются электродные датчики (5, 6, 7) работающие по принципу контроля сопротивления цепи электрод-грунт. При нахождении воды на уровне датчика или выше сопротивление уменьшается, на выходе устройства контроля уровня появляется сигнал замкнутого контакта, при опускании воды ниже уровня датчика сопротивление увеличивается и выходной контакт размыкается. Откачка воды из колбы, имитирующей водосборник, производится при помощи насоса. Сброс воды производится в колбу притока. Насос может находиться во включенном или выключенном состоянии, во время работы он имеет постоянную производительность.
Для правильного функционирования физической модели шахтного водоотлива необходимо, что бы при одинаковом уровне воды в левой и правой колбе, она достигала датчика аварийного уровня.
Демонстрационная модель системы управления шахтным водоотливом
Структура демонстрационной модели системы управления шахтным водоотливом представлена на рис. 3..
1 – индикатор основного насоса; 2 – имитатор заливочного насоса основного насоса; 3 – имитатор дополнительного насоса; 4 – индикатор датчика аварийного уровня; 5 – индикатор датчика верхнего уровня; 6 – индикатор датчик нижнего уровня; 7 – имитатор заливочного насоса дополнительного насоса
Рисунок 3. – Структура демонстрационной модели шахтного водоотлива
Система управления шахтного водоотлива реализована на базе программируемого логического контроллера VIPA System 100V. К контроллеру подключены датчики и исполнительные элементы физической модели шахтного водоотлива: датчики нижнего уровня, верхнего уровня, аварийного уровня и насос.
Так же к контролеру подключены имитаторы и кнопки демонстрационной модели: имитатор дополнительного насоса (3), имитатор заливочного насоса основного насоса (2), имитатор заливочного насоса дополнительного насоса (7), имитатор аварийной сигнализации, кнопки “ПУСК”, “СТОП”.
Система управления шахтным водоотливом выполняет функции управления откачкой воды из водосборника на поверхность. Водосборник представляет собой емкость, куда сливается приточная вода. Откачку воды выполняют насосы, расположенные над водосборником. Так как насосы центробежные до начала работы они должны быть заполнены водой. Для этой цели используются заливочные насосы расположенные ниже уровня воды. После заполнения камер насосы включаются и начинают качать воду на поверхность. Физическая модель вместе с демонстрационной отображают принцип работы реальной системы управления шахтным водоотливом.
Для запуска системы необходимо нажать кнопку “ПУСК” демонстрационной модели. В зависимости от уровня воды в колбе водосборника происходит срабатывание соответствующих датчиков физической модели, что отображается индикаторами демонстрационной модели. Контроллер, реагируя на срабатывание датчиков, включает или выключает насос физической модели соответствующий ему индикатор и имитаторы демонстрационной модели. В случае срабатывания датчика аварийного уровня физической модели контроллер включает имитатор аварийной сигнализации демонстрационной модели. Для остановки системы необходимо нажать кнопку “СТОП” демонстрационной модели.
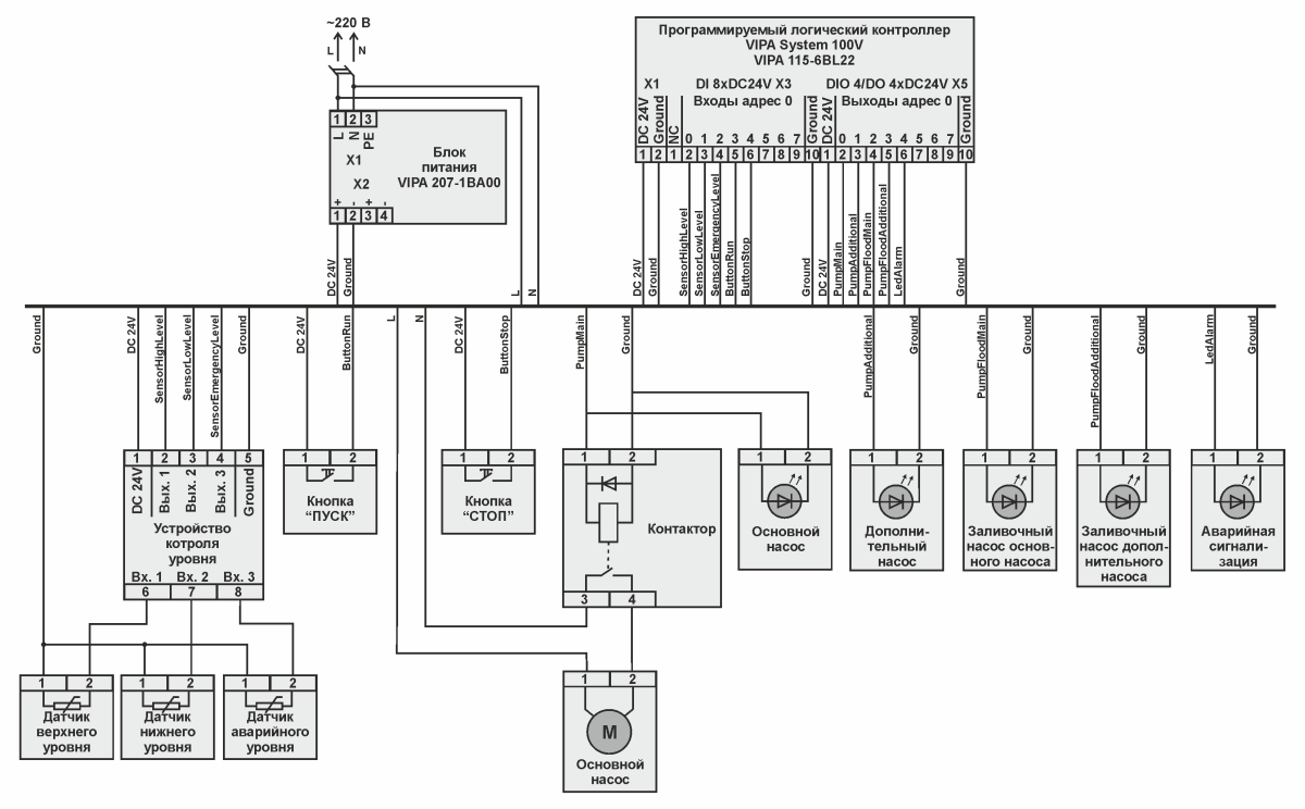
Рисунок 4. – Схема электрическая принципиальная системы управления
Схема соединений стенда системы управления шахтным водоотливом
Схема электрическая принципиальная стенда системы управления шахтным водоотливом приведена на рис. 4.. Индикаторы датчиков уровня воды являются частью устройства контроля уровня воды. Индикатор основного насоса является частью контактора.
В табл. 1. приведены значения адресов входов/выходов программируемого логического контроллера соответствующих схеме соединений.
| Адреса входов/выходов ПЛК | Символьные переменные | Исполнительные механизмы/датчики |
|---|---|---|
| Q 0.0 | PumpMain | Основной насос |
| Q 0.1 | PumpAdditional | Дополнительный насос |
| Q 0.4 | LedAlarm | Аварийная сигнализация |
| I 0.0 | SensorHighLevel | Датчик верхнего уровня |
| I 0.1 | SensorLowLevel | Датчик нижнего уровня |
| I 0.2 | SensorEmergencyLevel | Датчик аварийного уровня |
| I 0.3 | ButtonRun | Кнопка “ПУСК” |
| I 0.4 | ButtonStop | Кнопка “СТОП” |
| Q 1.0 | StateSignal_0 | Сигнал состояния 0 |
| Q 1.1 | StateSignal_1 | Сигнал состояния 1 |
| Q 1.2 | StateSignal_2 | Сигнал состояния 2 |
| Q 1.3 | StateSignal_3 | Сигнал состояния 3 |
| Q 1.4 | StateSignal_4 | Сигнал состояния 4 |
Программируемый логический контроллер VIPA System 100V
Программируемый логический контроллер, используемый в демонстрационной модели системы управления шахтным водоотливом VIPA 115-6BL22 (рис. 5.), относится к семейству контроллеров VIPA System 100V – компактные системы управления. Технические характеристики контроллера приведены в табл. 2..

Рисунок 5. – Программируемый логический контроллер VIPA 115-6BL22
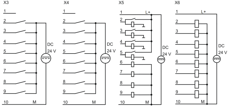
C помощью разъема X1 (1) к контроллеру подключается питание 24 В. Контроллер имеет два порта входов подключенные к разъемам X3 (2) (DI 8xDC24V), X4 (3) (DI 8xDC24V), один порт входов/выходов подключенный к разъему X5 (4) (DIO 4/DO 4xDC24V) младшая тетрада которого может быть сконфигурирована как входы или выходы и один порт выходов подключенный к разъему X6 (5) (DO 8xDC24V). Входы и выходы гальванически развязаны и работают с 24 В сигналами. Структура входов и выходов портов представлена на рис. 6.. Подключение к портам представлено на рис. 7..
| Характеристика | Значение |
|---|---|
| Загрузочная память | 24 кБайта |
| Рабочая память | 16 кБайт |
| Количество входов | 16 (20) |
| Количество выходов | 16 (12) |
| Интерфейсы | MP2I, DP-Slave |
| Напряжение питания | 24 В |

Рисунок 6. – Структура входов и выходов портов

Рисунок 7. – Подключение к портам контроллера VIPA 115-6BL22
Контроллер может быть подключен к компьютеру или HMI панели с помощью RS-232 интерфейса. Для подключения контроллера используется “Green Cable” (зеленый кабель). На стороне контроллера зеленый кабель подключается к разъему MP2I (6) интерфейса на стороне компьютера к разъему COM порта. Данное подключение используется для программирования контроллера и для связи его с HMI/SCADA системами.
Для управления режима работы контроллера используется операционный переключатель (7) имеющий 3 положения. В положении “RUN” (ПУСК) (8) контроллер выполняет программу. В положении “STOP” (СТОП) контроллер может быть перепрограммирован. В положении “MRES” выполняется сброс памяти контроллера.
Определить состояние работы контроллера можно с помощью светодиодных индикаторов находящихся в левой части контроллера (рис. 8.). Индикатор “R” мигает во время запуска программы и включен во время выполнения программы (режим операционного переключателя “RUN”). Индикатор “S” мигает во время сброса памяти контроллера и включен когда выполнение программы остановлено (режим операционного переключателя “STOP”). Индикатор “PW” показывает наличие питания контроллера. Индикатор “SF” включен при наличии ошибки аппаратного обеспечения. Индикатор “FC” включен при принудительной установке входов или выходов в режиме отладке. Индикатор “MC” включен при обращении к MMC флэш-памяти.

Рисунок 8. – Индикаторы состояния работы контроллера
Порядок выполнения работы соответствует заданию варианта 6.
Разработка графа состояний
При разработке программного обеспечения дискретных систем управления удобно выполнять описание системы в виде графа состояний. Это позволяет наглядно продемонстрировать работу системы, облегчает проверку правильности работы алгоритма, а так же упрощает перевод алгоритма в программный код.
При построении графа сначала необходимо выделить состояния, в которых может находиться система. После этого определить условия перехода из одного состояния в другое.
На графе состояния обозначаются окружностями с указанием номера в центре, а переходы между состояниями дугами с указанием направления, над дугами до слеша “/” указываются условия перехода, после указываются выходные сигналы. Если значение условия или сигнала выхода установлено используются его имя, если сброшено перед именем необходимо установить знак “!”.
Разрабатываемая система управления шахтным водоотливом может находиться в четырех состояниях:
Начальным состоянием для системы является 0 в него так же можно перейти по нажатию кнопки “СТОП”.
Система переходит из состояния 0 в состояние 1 по нажатию кнопки “ПУСК”.
Система переходит из состояния 1 в состояние 2 при срабатывании датчика верхнего уровня. При отключении датчика нижнего уровня происходит переход из состояния 2 в состояние 1.

Рисунок 9. – Граф состояний системы управления шахтным водоотливом
Система переходит из состояния 2 в состояние 3 при срабатывании датчика аварийного уровня. При отключении датчика аварийного уровня происходит переход из состояния 3 в состояние 2.
Разработанный граф состояний системы управления шахтным водоотливом представлен на рис. 9..
Среда разработки WinPLC7
Для конфигурирования и программирования ПЛК VIPA используется среда разработки WinPLC7. В состав среды входят редакторы языков программирования STL, LAD, FBD, программатор, отладчик и симулятор ПЛК.
Среда может быть установлена на компьютер пользователя в демонстрационном режиме, который позволяет выполнять разработку программного обеспечения и его отладку в симуляторе.
Создание проекта
После запуска среды разработки, для создания проекта необходимо нажать на кнопку “Create a new solution …” (рис. 10.). В открывшемся окне (рис. 11.) необходимо заполнить поле “Name:” (Название:) указав название проекта “LaboratoryWork_01” (1). После чего нажать кнопку “Create” (Создать).

Рисунок 10. – Стартовое окно программного обеспечения
Открывшееся окно работы с проектом (рис. 1.) включает в себя: меню (1), панель быстрых кнопок (2), выпадающий список подключения к целевому объекту (3), окно управления проектом (4), окно редактора содержимого проекта (5), панель быстрого перехода (6), окно инструментов (7), строку состояния (8). Панель быстрых кнопок с названиями наиболее часто использующихся элементов представлена на рис. 1..

Рисунок 11. – Окно создания проекта
В новом проекте по умолчанию в качестве целевого объекта используется “Simulator” (Симулятор”). Так же в нем уже создан организационный блок OB1, таблица символьных переменных и таблица переменных состояния. Состояние подключения к контроллеру и его работы отображается в строке состояний.
Рисунок 12. – Основное окно программы
Рисунок 13. – Панель быстрых кнопок
Таблица символьных имен переменных
При программировании ПЛК существует два подхода работы с данными: использование прямой адресации и использование символьных имен переменных. Второй подход более предпочтителен, он позволяет присваивать адресам интуитивно понятные имена, использовать комментарии для описания исполнительных механизмов и датчиков, связанных с адресами, при подключении нового оборудования или изменении текущей конфигурации достаточно изменить адреса связанные с переменными. В примере представлен второй подход.
До начала разработки программы необходимо заполнить таблицу символьных имен переменных. Заполнение таблицы выполняется в окне “Tools…” (Инструменты) на вкладке “SymbolTable.SEQ”, данное окно привязано нижнему краю окна среды разработки.

Рисунок 14. – Окно редактора обозначений
Окно (рис. 14.) представляет собой таблицу с четырьмя столбцами. Для добавления и удаления переменных используются контекстное меню, открывающееся по нажатию правой кнопки мыши в области таблицы. При вводе переменной в случае возникновения ошибки, она становится красного цвета, при дублировании символьного имени обе переменные становятся розового цвета.
При добавлении переменной сначала необходимо ввести ее адрес (1), после чего отредактировать символическое имя (2), тип (3) и комментарий (4). Для удобства быстрого добавления большого количества переменных с адресами, идущими подряд, используются кнопки “Копировать и инкрементировать адрес” (5) и “Копировать и декрементировать адрес” (6). Сначала необходимо ввести начальный или конечный адрес переменной, после чего используя соответствующую кнопку добавить необходимое количество переменных. Далее выполнить редактирование символьных имен, типов и комментариев. При окончании редактирования обозначений необходимо сохранить изменения используется кнопку “Save” (Сохранить) (7).

Рисунок 15. – Окно редактора обозначений
Пример заполненной таблицы символьных имен в соответствии с заданием приведен на рис. 15..
Функции двоичной логики
Для реализации разработанного графа состояний системы управления водоотлива, достаточно функций двоичных операций: И, установка и сброс.
Двоичная функция И (рис. 16.) может иметь любое количество функциональных входов. Если вход ведет напрямую к функциональному элементу, то сигнальное состояние считываемого операнда непосредственно используется в логической операции; если вход снабжен знаком отрицания, то сигнальное состояние сканируемого операнда инвертируется перед выполнением логической операции.
Функции установки и сброса (рис. 17.) могут завершать логическую операцию. Эти элементы активируются только тогда, когда результат логической операции, направляющийся в блочный элемент, равен “1”.
Рисунок 16. – Функции двоичной логики
Если результат логической операции, установки, равен “1”, то операнд над элементом устанавливается в сигнальное состояние “1”. Если результат логической операции сброса, равен “1”, то операнд над элементом переходит в сигнальное состояние “0”. Если результат логической операции, передаваемый в блочный элемент установки или сброса, равен “0”, двоичный операнд остается неизменным.
Рисунок 17. – Функции установки и сброса
Реализация графа состояний в виде программы
При разработке программного обеспечения на основе графа состояний в не зависимости от языка программирования удобно разбить программу на сегменты двух типов. Сегменты установки состояния, и сегменты изменения выходных сигналов.
Рисунок 18. – Сегмент установки состояния
Структура сегмента установки состояния приведена на рис. 18.. Для проверки выполнения условия перехода используется функция И. На ее входы подается значение состояния, из которого возможно выполнение перехода в новое состояние и условие перехода. Если установлено соответствующее значение состояния и условие перехода выполняется, происходит установка нового состояния.
После сегмента установки состояния идет сегмент изменения выходных сигналов. Структура сегмента приведена на рис. 19..
Рисунок 19. – Сегмент изменения выходных сигналов
Для проверки соответствия сегмента переходу в новое состояние используется блок И. Если условие выполняется, происходит изменение выходных сигналов соответствующее данному переходу, после чего состояние из которого выполнялся переход сбрасывается.
Каждому сегменту изменения выходного сигнала должен соответствовать сегмент установки состояния. Таким образом, каждой дуге графа состояний соответствует пара: установка состояния, изменение выходных сигналов.
При запуске контроллера происходит инициализация памяти, флаги состояний принимают нулевое значение. Для выполнения установки начального состояния используется сегмент установки состояния. Условие формируется так, что если не одно из состояний не установлено, устанавливается начальное состояние (рис. 20.).
Рисунок 20. – Сегмент установки начального состояния
Основная программа, организационный блок OB 1
Разрабатываемое программное обеспечение системы управления шахтным водоотливом не имеет жестких требований к времени реакции на события или специфических запросов к организации выполнения. Поэтому программный код может быть размещен в теле основной программы. Тело основной программы размещается в организационном блоке OB 1, этот блок циклически вызываться во время работы контроллера.
Для открытия блока OB 1 необходимо в окне редактора содержимого проекта нажать по нему два раза. По умолчанию блок содержит поля: название блока, комментарии блока и “Network 1” (Сегмент 1). Сегмент включает в себя название сегмента, комментарии сегмента, выбор языка программирования, поле ввода программы, таблицу переменных используемых в сегменте.
Поля названия и описания элементов программного обеспечения выполняют функции комментариев. Заполнение данных полей улучшает восприятие кода программы, облегчает поиск ошибок, уменьшает время, затрачиваемое на отладку.

Рисунок 21. – Сегмент и его панель быстрых кнопок
Сегмент и его панель быстрых кнопок представлены на рис. 21.. Для добавления нового сегмента в конец организационного блока необходимо нажать на кнопку “Add a network at the end of the block” (Добавить сегмент в конец блока) (1). Для добавления нового сегмента перед существующим, необходимо нажать кнопку “Insert a new network in front of this network” (Добавить сегмент перед текущим) (2). Для удаления “Delete network” (Удалить сегмент) (3).
Перед началом ввода программы в сегмент необходимо выбрать язык программирования функциональных планов FBD. Для ввода кода сегмента необходимо перевести курсор мыши в поле с надписью “” (<пустой>) и нажать левую кнопку.
В связи с особенностями среды разработки при программировании не желательно менять язык программирования сегмента. После преобразования кода из одного языка в другой обратное преобразование может быть не доступно.
Для добавления функций используется вкладка окна управления проектом “Catalog” (Каталог), она содержит стандартные и библиотечные блоки. Что бы добавить блок функции необходимо дважды нажать по нему в каталоге или перетащить его в поле с помощью мыши.
При программировании на языке функциональных планов в окне редактора содержимого проекта на панели быстрых кнопок (рис. 22) появляются кнопки позволяющие выполнять: добавление входов и их инверсию не используя вкладку каталога. Так же на панель добавляются кнопки вставки блоков И, ИЛИ, присвоение. С помощью панели можно перейти в режим наблюдения.

Рисунок 22. – Панель быстрых кнопок
Что бы добавить вход блочному элементу необходимо выбрать тело элемента или его вход и нажать кнопку “Двойной вход”. Что бы инвертировать вход, его необходимо выбрать и нажать кнопку “Инверсия”. Добавление выхода возможно только перед завершающими блоками и только завершающими блоками. К завершающим блокам относятся S и R. Для добавления необходимо, что бы завершающий блок был подключен к выходу предыдущего блока, а его оператор был задан. Для добавления нового блока необходимо перетащить его на существующий.
Для ввода операнда блока необходимо выбрать операнд, нажать клавишу “Enter”, ввести операнд или символ двойной кавычки “””. После ввода “”” откроется выпадающее меню с символьными переменными. Для завершения ввода необходимо нажать клавишу “Enter”.
Разработка программного обеспечения
Разработанный граф состояний содержит 8 переходов, каждый переход соответствует сегменту установки состояния и сегменту изменению выходных сигналов, так же необходимо выполнить установку начального состояния. Разрабатываемое программное обеспечение должно содержать 17 сегментов.
При выполнении программы ПЛК выполняет сегменты последовательно 1, 2, …, N. Поэтому для правильной обработки перехода в новое состояние необходимо, что бы сегмент установки состояния шел перед соответствующим сегментом изменения выходных сигналов:
Значения состояний системы должны сохраняться между вызовами организационного блока основной программы, для этого они должны храниться в статической памяти. Такой областью является меркеры, они хранятся в энергонезависимой памяти и теряют свое значение только в случае перепрограммирования ПЛК или полного перезапуска. Переменные в области меркеров адресуются с использованием префикса “M”.
Для хранения состояния системы выбраны меркеры представляющие собой битовые переменные: M 0.0, M 0.1, M 0.2, M 0.3. Объявленные переменные будут использоваться для фиксации нахождения системы в соответствующем состоянии. Если переменная установлена система находится в соответствующем переменной состоянии. При переходе из текущего состояния в новое, в сегменте установки состояния производится запись в соответствующий меркер значения “1”, далее в сегменте изменения выходных сигналов выполняются изменения сигналов, после этого переменная состояния, из которого выполнялся переход, сбрасывается в “0”.
В таблице символьных имен каждому меркеру задать символьное имя: State_0, State_1, State_2, State_3. Производитель ПЛК рекомендует в качестве символьных имен для состояний системы использовать их названия, в данном случае имена переменных выбраны для упрощения реализации графа состояний в виде программы.

Рисунок 23. – Реализация сегмента 1
Разработанный сегмент 1 установки начального состояния приведен на рис. 23.. Переход в данное состояние выполняется при перезапуске системы управления шахтным водоотливом.
Условие перехода проверяется функцией И, если нет установленного состояния следовательно система запускается первый раз после перепрограммирования контроллера или был выполнен полный перезапуск и все данные были удалены. Если условие выполняется, значение состояния стоп устанавливается, так же устанавливается сигнал состояния.

Рисунок 24. – Реализация сегмента 2
Разработанный сегмент 2 установки состояния стоп приведен на рис. 24.. Переход в данное состояние выполняется по нажатию кнопки “СТОП”. Если условие выполняется состояние стоп и его сигнал устанавливаются.

Рисунок 25. – Реализация сегмента 4

Рисунок 26. – Реализация сегмента 4
Разработанный сегмент 3 изменения выходного сигнала при переходе в состояние стоп приведен на рис. 25.. Функция И выполняет проверку перехода из состояния покоя в состояние стоп. Если условие выполняется состояние покоя, из которого выполнялся переход, а так же сигнал данного состояния сбрасываются.
Разработанный сегмент 4 установки состояния стоп приведен на рис. 26.. Переход в данное состояние выполняется по нажатию кнопки “СТОП”. Если условие выполняется состояние стоп и его сигнал устанавливаются.
Разработанный сегмент 5 изменения выходного сигнала при переходе в состояние стоп приведен на рис. 27.. Функция И выполняет проверку перехода из состояния откачки воды в состояние стоп. Если условие выполняется основной насос выключается, состояние откачки воды, из которого выполнялся переход, а так же сигнал данного состояния сбрасываются.

Рисунок 27. – Реализация сегмента 5
Разработанный сегмент 6 установки состояния стоп приведен на рис. 28.. Переход в данное состояние выполняется по нажатию кнопки “СТОП”. Если условие выполняется состояние стоп и его сигнал устанавливаются.

Рисунок 28. – Реализация сегмента 6
Разработанный сегмент 7 изменения выходного сигнала при переходе в состояние стоп приведен на рис. 29.. Функция И выполняет проверку перехода из состояния аварийной откачки воды в состояние стоп. Если условие выполняется основной и дополнительный насосы выключаются, состояние аварийной откачки воды, из которого выполнялся переход, а так же сигнал данного состояния сбрасываются.

Рисунок 29. – Реализация сегмента 7
Разработанный сегмент 8 установки состояния покоя приведен на рис. 30.. Переход в данное состояние выполняется по нажатию кнопки “ПУСК”. Если условие выполняется состояние покоя и его сигнал устанавливаются.

Рисунок 30. – Реализация сегмента 8
Разработанный сегмент 9 изменения выходного сигнала при переходе в состояние покоя приведен на рис. 31.. Функция И выполняет проверку перехода из состояния стоп в состояние покоя. Если условие выполняется состояние стоп, из которого выполнялся переход, а так же сигнал данного состояния сбрасываются.

Рисунок 31. – Реализация сегмента 9
Разработанный сегмент 10 установки состояния покоя приведен на рис. 32.. Переход в данное состояние выполняется при отпускании датчика нижнего уровня. Если условие выполняется состояние покоя и его сигнал устанавливаются.

Рисунок 32. – Реализация сегмента 10
Разработанный сегмент 11 изменения выходного сигнала при переходе в состояние покоя приведен на рис. 33.. Функция И выполняет проверку перехода из состояния откачки воды в состояние покоя. Если условие выполняется основной насос, выключается, состояние откачки воды, из которого выполнялся переход, а так же сигнал данного состояния сбрасываются.

Рисунок 33. – Реализация сегмента 11
Разработанный сегмент 12 установки состояния откачки воды приведен на рис. 34.. Переход в данное состояние выполняется при срабатывании датчика верхнего уровня. Если условие выполняется состояние откачки воды и его сигнал устанавливаются.

Рисунок 34. – Реализация сегмента 12
Разработанный сегмент 13 изменения выходного сигнала при переходе в состояние откачки воды приведен на рис. 35.. Функция И выполняет проверку перехода из состояния покоя в состояние откачки воды. Если условие выполняется основной насос, включается, состояние покоя, из которого выполнялся переход, а так же сигнал данного состояния сбрасываются.

Рисунок 35. – Реализация сегмента 13
Разработанный сегмент 14 установки состояния откачки воды приведен на рис. 36.. Переход в данное состояние выполняется при отпускании датчика аварийного уровня. Если условие выполняется состояние откачки воды и его сигнал устанавливаются.

Рисунок 36. – Реализация сегмента 14

Рисунок 37. – Реализация сегмента 15
Разработанный сегмент 15 изменения выходного сигнала при переходе в состояние откачки воды приведен на рис. 37.. Функция И выполняет проверку перехода из состояния аварийной откачки воды в состояние откачки воды. Если условие выполняется дополнительный насос, выключается, состояние аварийной откачки воды, из которого выполнялся переход, а так же сигнал данного состояния сбрасываются.
Разработанный сегмент 16 установки состояния аварийной откачки воды приведен на рис. 38.. Переход в данное состояние выполняется при срабатывании датчика аварийного уровня. Если условие выполняется состояние аварийной откачки воды и его сигнал устанавливаются.

Рисунок 38. – Реализация сегмента 16
Разработанный сегмент 17 изменения выходного сигнала при переходе в состояние аварийной откачки воды приведен на рис. 39.. Функция И выполняет проверку перехода из состояния откачки воды в состояние аварийной откачки воды. Если условие выполняется дополнительный насос, включается, состояние откачки воды, из которого выполнялся переход, а так же сигнал данного состояния сбрасываются.

Рисунок 39. – Реализация сегмента 17
Симулятор ПЛК
Для загрузки программного обеспечения в целевой объект используется кнопка на панели быстрых кнопок “Передать все блоки”. При отсутствии физического контроллера тестирование программного обеспечения можно выполнять в симуляторе, для этого с помощью выпадающего списка подключения к целевому объекту необходимо выбрать “Simulator” (Симулятор).
Наблюдение и управление входами и выходами котроллера при симуляции выполняется с помощью модели ПЛК. Что бы открыть соответствующее окно необходимо нажать на кнопку панели быстрых кнопок “Окно моделирования ПЛК”.
При нажатии правой кнопки мыши по модели открывается меню (рис. 40.) с помощью которого в модель можно добавить или удалить модули дискретного ввода, дискретного вывода, двоично-десятичного ввода, двоично-десятичного вывода, аналогового ввода и аналогового вывода.

Рисунок 40. – Меню добавления модулей
Пример настроенной модели ПЛК приведен на рис. 41.. В верхней части модуля указывается его тип и адрес (1). Если выполнить двойное нажатие по модулю ввода или вывода откроется окно настройки модуля, в котором можно изменить его адрес. На модулях отображается символьные имена переменных соответствующие адресам (2).
Рисунок 41. – Окно моделирования ПЛК
Входы модулей интерактивны, при нажатии по кнопке (3) соответствующий вход устанавливается в “1”, кнопка меняет цвет на зеленый при повторном нажатии он сбрасывается в “0”, кнопка меняет цвет на серый.
Выходы модулей отображают свое состояние с помощью индикаторов (4). Если выход устанавливается в “1” цвет индикатора соответствующего выхода меняется на зеленый, если выход сбрасывается в “0” индикатор меняет цвет на серый.
В связи с особенностями среды разработки параметры окна моделирования не сохраняются при его закрытии. При повторном открытии окна настройку необходимо проводить заново.

Рисунок 42. – Вкладка центра управления контроллером
Управления работой симулятора выполняется с помощью вкладки “CPU-Control Center” (Центр управления контроллером) (рис. 42.) окна управления проектом. Для запуска работы модели необходимо нажать кнопку “RUN” (1) для остановки кнопку “STOP” (2).

Рисунок 43. – Окно редактирования проекта в режиме наблюдения
Во время работы модели можно перейти в режим наблюдения, он позволяет просматривать текущие значения переменных. Переменные, установленные в “1” отображаются розовым цветом, переменные, сброшенные в “0” серым. Если результат выполнения функции равен “0” ее блок отображается серым цветом, если “1” розовым цветом (рис. 43.). Для перехода в режим наблюдения необходимо нажать кнопку в окне редактора содержимого проекта на панели быстрых кнопок “Включить/выключить режим наблюдения”.
Графические языки программирования, в том числе и язык функциональных планов (FBD) не позволяют выполнять пошаговую отладку программного обеспечения и использовать контрольные точки.
Порядок работы со стендом системы управления шахтным водоотливом
Для включения стенда необходимо:
Для выключения стенда необходимо:
Программирование контроллера VIPA System 100V
Для программирования контроллера необходимо подключить его к компьютеру с помощью “Green Cable” (Зеленый кабель). Включить питание контроллера. Запустить среду разработки WinPLC7 и открыть в ней нужный проект. Выбрать в качестве целевого объекта “RS-232”. В меню “Extras” (Дополнения) нажать по пункту “Target properties of Target: RS-232” (Настройка порта RS-232). В открывшемся окне “Serial interface setup …” (Установка последовательного соединения …) (рис. 44.) установить флаг “Click here, if you use the Green Cable” (Используется Зеленый кабель) (1), указать, по какому последовательному интерфейсу подключен контроллер (2), после чего нажать кнопку “Connect” (Подключиться) (3). В случае неудачи строка состояния примет красный цвет и в ней появится сообщение “Error when starting the communication: Can not connect to MPI adapter. MPI-adapter connected to the correct interface?” (Ошибка начала соединения: Не возможно подключиться к MPI преобразователю. MPI преобразователь подключен к правильному интерфейсу?), в случае успеха откроется окно с надписью “The connection to the PLC is OK!” (Соединение с PLC в порядке!). ПcOK” (4).

Рисунок 44. – Окно “Установка последовательного соединения …”
Далее необходимо нажать по кнопке панели быстрых кнопок “Окно режима работы”, после чего откроется окно “Operating mode” (Режим работы) (рис. 45.). Если контроллер находится в режиме “RUN”, то из данного окна можно останавливать контроллер с помощью кнопки “Stop PLC” (Остановить ПЛК) (1), из остановленного состояния его можно перезапустить с помощью кнопки “Warm restart” (Перезапуск из памяти) (2).
Для записи программы в контроллер его необходимо остановить и с помощью кнопки “Передать все блоки” запрограммировать. Для запуска программы необходимо открыть окно “Режим работы” и нажать кнопку “Перезапуск из памяти” после чего контроллер начнет выполнять программу.

Рисунок 45. – Окно “Режим работы”
SCADA система zenon
SCADA (диспетчерское управление и сбор данных) – программный пакет для сбора, обработки, отображения и архивирования информации об объекте управления. SCADA устанавливается на HMI-панели, промышленные и персональные компьютеры.
SCADA система zenon рекомендуется производителем для использования с контроллерами VIPA и позволяет подключаться к ним по зеленому кабелю.
В соответствии с заданием разработана программа для SCADA системы zenon. Программа реализует человеко-машинный интерфейс, предназначенный для наблюдения за работой демонстрационной модели системы управления шахтным водоотливом. Программа откомпилирована в исполняемый файл и выполняется Runtime сервером.

Рисунок 46. – Окно программы “zenon Startup”
Запуск программы производится менеджером загрузок “zenon Startup”. После запуска “zenon Startup” открывается окно рис. 46.. Для добавления программы в список необходимо нажать в центре окна (1) правой кнопкой мыши. В выпадающем меню выбрать пункт “New…”. В открывшемся окне “New item…” (Название элемента) (рис. 47.) в поле “Name:” (Название) (1) ввести “LaboratoryWork_01_06”, в поле “Program path:” (Путь к программе) (2) ввести путь к Runtime серверу:
“C:\Program Files\COPA-DATA\zenon 7.00 SP0”,
в поле “RT-Path:” (3) ввести путь к файлу настроек откомпилированной программы:
“Путь\LaboratoryWork_01\TASK_06\RT\FILES\zenon\system\project.ini”,
после чего нажать кнопку “OK” (4). Выбрать в списке “Name” (Название) программу с названием “LaboratoryWork_01_06” и запустить ее нажатием кнопки “Runtime” (рис. 46. – 47).

Рисунок 47. – Окно “New item…”
После запуска Runtime сервера с выбранной программой откроется окно с человеко-машинным интерфейсом, представленным на рис. 48.. В случае отсутствия связи с контроллером на элементах связанных с данными поступающими от него будут мигать красные квадраты.

Рисунок 48. – Человеко-машинный интерфейс демонстрационной модели системы управления шахтным водоотливом
Представленный человеко-машинный, интерфейс позволяет наблюдать за работой системы управления. Отображает состояние демонстрационной модели, физической модели, переход и состояние системы в соответствии с графом.
Проверка работы программного обеспечения на стенде системы управления шахтным водоотливом
Правильность работы программного обеспечения определяется соответствием действий выполняемых системой управления действиям, описанным в задании.
Для проверки сначала необходимо используя заслонку выровнять уровень воды в колбах. После этого закрыть заслонку и нажать кнопку “ПУСК”. Вода находится выше аварийного уровня, система должна перейти в состояние 3. Если выход состояния (StateSignal_3) не устанавливается, насос физической модели или имитатор дополнительного насоса не включен, произошла ошибка программного обеспечения.
Насос перекачивает воду в колбу притока, уровень в колбе имитирующей водосборник падает. При понижении воды ниже датчика аварийного уровня система должна перейти в состояние 2 и выключить имитатор дополнительного насоса. Если выход состояния (StateSignal_2) не устанавливается, имитатор дополнительного насоса не выключается или выключается основной насос, произошла ошибка программного обеспечения.
Насос продолжает перекачивать воду. При понижении воды ниже датчика нижнего уровня система должна перейти в состояние 1 и выключить насос физической модели. Если выход состояния (StateSignal_1) не устанавливается, насос физической модели не выключается или включается имитатор дополнительного насоса, произошла ошибка программного обеспечения.
Для проверки срабатывания кнопки “СТОП” необходимо проверить реакцию системы на ее нажатие в каждом состоянии, система должна перейти в состояние“0. Если выход состояния (StateSignal_0) не устанавливается или не выключаются насос физической модели или имитатор дополнительного насоса, произошла ошибка программного обеспечения.