14/05/2015

Рассмотреть процесс настройки программного обеспечения одноплатного компьютера Raspberry Pi для использования его в качестве программируемого логического контроллера (ПЛК) при обучении студентов направлений подготовки “Cистемная и компьютерная инженерия”, а также продемонстрировать взаимодействие данного ПЛК со SCADA системой zenon.
Статья будет интересна высшим учебным заведениям, обладающим лицензией на SCADA систему zenon.
zenon Logic – это встроенная подсистема написания программной логики, разработанная компанией COPALP, которая входит в состав COPA-DATA. Данная терминология принята после реорганизации и унификации продуктовой линейки SCADA zenon. Оригинальное название – Straton. Под ним это ПО и распространяется разработчиком. Поэтому далее в статье zenon Logic будет упоминаться как Straton.
В 2014 году была выпущена специальная версия ПО Straton для установки в одноплатный компьютер Raspberry Pi. С его помощью этот мини-компьютер может использоваться в качестве полноценного программируемого логического контроллера, обладающего дискретными и аналоговыми портами ввода/вывода. Разработка программы под него выполняется на одном из языков стандарта МЭК 61131-3 (ST, IL, LD, SFC, FBD). В тестовом режиме среда исполнения Straton непрерывно работает 15 минут, чего вполне достаточно для полной проверки функционирования программного обеспечения созданного студентом. Разработка программного обеспечения для реализации программного ПЛК (Soft PLC) выполняется в среде zenon Logic Workbench, которая является интегрированным компонентом SCADA системы zenon. При наличии лицензии “Education and Training” среда разработки zenon Logic Workbench лицензируется как “Unlimited” и не имеет ограничений на время работы. Кроме того, SCADA zenon может использоваться для разработки человеко-машинного интерфейса системы управления для проверки работы созданного ПЛК.
Исходя из вышеописанного, основной задачей, которую необходимо решить для полноценной работы с Raspberry Pi, является настройка программного обеспечения таким образом, чтобы ПЛК, реализованный на Straton, автоматически перезапускался каждые 15 минут.
Raspberry Pi – это бюджетный одноплатный компьютер стоимостью 35$, предназначенный для обучения информатике. На момент написания статьи были выпущены пять версий: “Raspberry Pi Model A”, “Raspberry Pi Model A+”, “Raspberry Pi Model B”, “Raspberry Pi Model B+” и “Raspberry Pi Model 2B”. Straton поддерживает версии A и B, однако в связи с тем, что версия A не имеет встроенного Ethernet интерфейса, рассмотрена будет только версия B.

Технические характеристики Raspberry Pi
| № | Параметр | Описание |
|---|---|---|
| 1 | SoC | Broadcom BCM2835 (CPU, GPU, DSP, SDRAM и один USB порт) |
| 2 | CPU | ARM1176JZF-S 700 МГц |
| 3 | GPU | Broadcom VideoCore IV @ 250 МГц, OpenGL ES 2.0, MPEG-2, VC-1, 1080p30 h.264/MPEG-4 AVC |
| 4 | SDRAM | 512 Мбайт |
| 5 | USB 2.0 порты | 2 |
| 6 | Видео вход | 15 контактный MIPI интерфейс для подключения камеры |
| 7 | Видео выход | Композитный RCA, HDMI (1.3 и 1.4) поддерживающий 14 разрешений от 640 x 350 до 1920 x 1200, DSI |
| 8 | Аудио выход | 3.5 мм jack, HDMI, I2S аудио |
| 9 | Накопитель | SD/MMC/SDIO (+3.3 В) |
| 10 | Сеть | Ethernet порт 10/100 Мбит с разъемом 8P8C |
| 11 | Низкоуровневая периферия | 17 портов ввода/вывода, 5 не конфигурируемых, остальные могут быть использованы в качестве I2C, UART, 2 x SPI, I2S, CLK |
| 12 | Потребление | 700 мА |
| 13 | Источник питания | +5 В подключается через разъем Micro-USB |
| 14 | Размер | 85,60 x 56 мм |
| 15 | Вес | 45 г |
Одноплатный компьютер Raspberry Pi может работать под управлением операционных систем Linux (Raspbian, Debian GNU/Linux, Open ELEC, Fedora, Arch Linux ARM, Gentoo), RISC OS, FreeBSD, NetBSD, Plan 9, Inferno, Openwrt. Программный ПЛК Straton может работать под управлением большинства операционных систем Linux, однако для Raspberry Pi компания COPALP рекомендует использовать Raspbian.
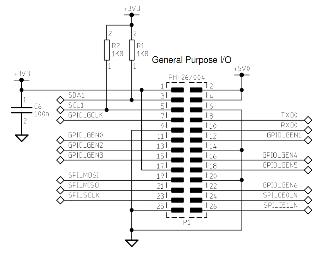
Отличительной особенностью одноплатных компьютеров таких, как Raspberry Pi является наличие у них низкоуровневой периферии. Конкретно у Raspberry Pi Model B для программного ПЛК Straton доступны 17 портов ввода/вывода (GPIO). Два из них SDA1 и SCL1 могут быть использованы для подключения устройств поддерживающих последовательную шину данных I2C, в связи с чем они подтянуты к напряжению +3.3 В. Поэтому будем считать, что фактически доступно 15 портов ввода/вывода.
Необходимо отметить, что порты ввода/вывода одноплатного компьютера Raspberry Pi являются маломощными и не защищенными. В связи с этим в дальнейшем будет описана разработка интерфейсного модуля, предназначенного для согласования и защиты портов одноплатного компьютера Raspberry Pi с общепромышленными органами аппаратного управления и индикации, датчиками и исполнительными механизмами с напряжением питания +24 В.
Для создания ПЛК на базе одноплатного компьютера Raspberry Pi Model B понадобится сам одноплатный компьютер, блок питания с разъемом Micro-USB, напряжением на выходе +5 В и максимальным током нагрузки не менее 700 мА. SD карта памяти объемом 4 Гбайта. Устройство визуализации с интерфейсом HDMI и соответствующий кабель HDMI – HDMI. Клавиатура с USB интерфейсом. Персональный компьютер с устройством для чтения SD карт памяти, Ethernet-адаптером и соответствующий кабель UTP с разъемами 8P8C.
Для работы с ПЛК на базе одноплатного компьютера Raspberry Pi из выше перечисленного не понадобится устройство визуализации, клавиатура, устройство для чтения SD карт памяти.